汎用引張型ロードセル「KT111《型
●簡単に使用できる引張型ロードセル。
●ラインナップは50kgf、100kgf、200kgf、500kgf、1tf、2tf、5tfの7種類を設定。
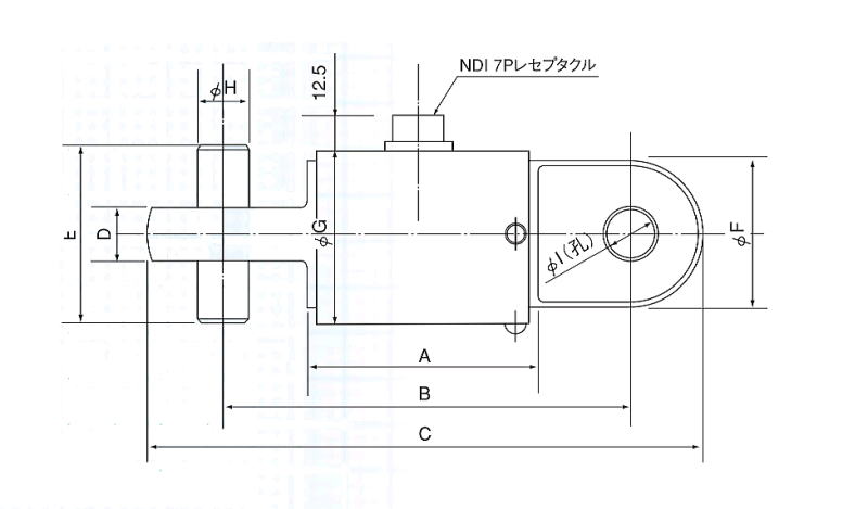
●本体側面に7Pレセプタクルを設け、ケーブルの脱着が容易。

|
定格容量 |
490.3kN (50kgf) ~ 49.03kN (5tf) |
|
定格出力 |
1.5mV/V±1% |
|
非直線性 |
0.3% R.O. 以内 |
|
ヒステリシス |
0.2% R.O. 以内 |
|
繰り返し性 |
0.3% R.O. 以内 |
|
入力抵抗 |
350Ω±1% 以内 |
|
出力抵抗 |
350Ω±1% 以内 |
|
推奨印加電圧 |
8V |
|
最大印加電圧 |
12V |
|
零バランス |
0.05mV/V 以内 |
|
温度保証範囲 |
*10℃ ~ 60℃ |
|
許容温度範囲 |
*15℃ ~ 75℃ |
|
零点の温度影響 |
±0.01% R.O. /℃ |
|
出力の温度影響 |
±0.01% LOAD /℃ |
|
絶縁抵抗 |
1000MΩ以上 |
|
許容過負荷 |
120% R.O. |
|
ケーブル長 |
別売 |
|
型吊 |
定格容量 |
A |
B |
C |
D |
E |
F |
G |
H |
I |
|
|
KT111-50K |
490.3N |
50kgf |
53 |
103 |
139 |
14 |
40 |
30 |
68 |
10 |
10.1 |
|
KT111-100K |
980.7N |
100kgf |
53 |
103 |
139 |
14 |
40 |
30 |
68 |
10 |
10.1 |
|
KT111-200K |
1.964kN |
200kgf |
53 |
103 |
139 |
14 |
40 |
30 |
68 |
10 |
10.1 |
|
KT111-500K |
4.903kN |
500kgf |
53 |
103 |
143 |
14 |
40 |
36 |
68 |
12 |
12.1 |
|
KT111-1T |
9.807kN |
1tf |
80 |
140 |
190 |
18 |
60 |
50 |
60 |
18 |
18.2 |
|
KT111-2T |
19.61kN |
2tf |
105 |
175 |
235 |
22 |
90 |
60 |
60 |
20 |
20.2 |
|
KT111-5T |
49.03kN |
5tf |
105 |
175 |
235 |
22 |
90 |
60 |
69 |
20 |
20.2 |

■外形図